Aluminium oogjes

Aluminium oogjes

Hier in onze fabriek in Dongguan produceert Nuote Metals hoogwaardige aluminium oogjes. Wij concentreren ons al vele jaren op het maken van aluminium zeilringen. Ons aluminium is zorgvuldig geselecteerd om zowel licht als sterk te zijn. Deze aluminium oogjes roesten niet en behouden hun heldere afwerking. Wij bieden aluminium oogjes in verschillende maten. Sommige zijn klein, andere zijn behoorlijk groot. Ieder aluminium oogje wordt door onze medewerkers onderzocht. Ze controleren de vorm en het oppervlak. Klanten kiezen vaak voor onze aluminium oogjes. Ze vinden ze betrouwbaar en zien er goed uit. We bieden snelle monsters voor degenen die ze willen proberen.

Stuur onderzoek

Productomschrijving

Invoering

Een aluminium oogje is een kleine ring gemaakt van aluminium. Het helpt gaten in stof of andere materialen te versterken. Aluminium oogjes zijn lichter dan de meeste metalen oogjes. Hierdoor zijn ze gemakkelijk te hanteren en te verzenden. Ze beschermen de randen van gaten tegen slijtage. Wanneer er veters of koorden doorheen worden getrokken, blijft het materiaal intact. Aluminium oogjes zijn bestand tegen water en zullen niet corroderen. Hun afwerking blijft na verloop van tijd helder. Voor het plaatsen van aluminium oogjes wordt een eenvoudig persgereedschap gebruikt. Eenmaal op hun plaats gedrukt, blijven ze veilig en raken ze niet los.


Parameter aluminium oogjes (specificatie)



Materiaal Aluminium
Oppervlaktebehandeling Schoon, verzinkt, vernikkeld, verzilverd, zoals gevraagd
Certificaat Rohs-compatibel
Schachtdiameter 0,8-10 mm
Tolerantie +/-0,05 mm
Sollicitatie Geschikt voor gebruik in diverse industrieën, waaronder stof, tenten, canvas enz.
Kwaliteitscontrole 100% inspectie van het hele assortiment tijdens de productie zorgt ervoor dat elk product voldoet aan de ISO-norm, waardoor producten van hoge kwaliteit worden gegarandeerd.



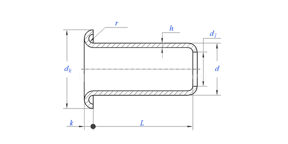
aluminium oogjes tekening zoals hieronder:

Toepassing tonen:


Functie en toepassing van aluminium oogjes

Aluminium oogjes hebben veel dagelijkse toepassingen. Ze zijn te vinden in sneakers en lichtgewicht laarzen voor veters. Regenjassen en windjacks gebruiken ze als capuchonkoorden. Tote bags en rugzakken zijn vaak voorzien van aluminium oogjes. Kampeertenten en zeilen kunnen deze bevatten als scheerlijnen. Sportuitrusting zoals vlaggen en wimpels maken ook gebruik van aluminium oogjes. Sommige beschermende hoesjes en hoezen vertrouwen er ook op. Deze aluminium oogjes helpen producten functioneel en netjes te houden. Onze klanten kiezen voor onze aluminium oogjes omdat ze licht en roestvrij zijn. We zijn er trots op dat we hier in Dongguan duurzame aluminium oogjes maken.


aluminium oogjes Productiedetails

Verpakkingsinformatie

Veelgestelde vragen:

Vraag 1: Wat is uw MOQ voor aluminium oogjes?

MOQ voor klinknagels is 20.000 stuks.


Vraag 2: Kunt u op maat maken met onze tekening?

Ja, de meeste van onze buisvormige klinknagels worden op maat gemaakt volgens de tekening van de klant.


Vraag 3: Kunt u gratis monsters van de holle klinknagels verstrekken?

We kunnen gratis monsters leveren voor de maat die we op voorraad hebben, maar de klanten betalen de Express-kosten.


Q4: Wat is uw levertijd?

Grootte van klinknagels op voorraad: 3-5 dagen, niet-standaard klinknagels: 15-25 dagen. Wij zullen de levering zo snel mogelijk uitvoeren met de garantiekwaliteit.


Q5: De kwaliteit van uw producten?

Het bedrijf beschikt over geavanceerde productie- en testapparatuur. Alle producten worden vóór verzending 100% geïnspecteerd door onze QC-afdeling.


Vraag 6: Waarom kiezen we voor Nuote-technologie?

1. Wij Nuote respecteren de klantvoorwaarden om de privacyprojecten van klanten te beschermen.

2. Hoge kwaliteit met aantrekkelijke prijs

3. Snelle doorlooptijd

4. Fijne deal en eerlijkheid tegenover klant en partner

5. Professionele verkoopadvertentie beantwoordt uw vraag binnen 8 uur.

6. De producten en service van Nuote worden verkocht aan meer dan 70 landen met een goede reputatie


Hottags: Aluminium oogjes, aluminium oogjes China, fabrikant van aluminium oogjes
Gerelateerde categorie
Stuur onderzoek
Stel gerust uw vraag via onderstaand formulier. Wij zullen u binnen 24 uur antwoorden.
gerelateerde producten
X
We gebruiken cookies om u een betere browse-ervaring te bieden, het siteverkeer te analyseren en de inhoud te personaliseren. Door deze site te gebruiken, gaat u akkoord met ons gebruik van cookies. Privacybeleid