Laarsoogjes

Laarsoogjes

We maken elke dag Boot Eyelets hier bij Nuote Metals in Dongguan. Oogjes zijn de sterke metalen ringen die je op laarzen ziet. De veters gaan er doorheen. Wij maken onze Boot Eyelets van stevige materialen. Ze moeten lang meegaan. Wij produceren ze in verschillende maten en afwerkingen. Sommige zijn glanzend, sommige zijn mat. Ze zijn allemaal gemaakt om duurzaam te zijn.

Stuur onderzoek

Productomschrijving

Bootoogjes Introductie

Boot Eyelets hebben een zeer belangrijke taak. Ze maken de vetergaten sterker. Zonder hen zouden de gaten gemakkelijk scheuren. Wanneer je je veters strak trekt, nemen de Boot Eyelets de druk op. Ze zorgen er ook voor dat de veters soepel bewegen. Dit maakt het gemakkelijker om uw laarzen aan en uit te trekken.


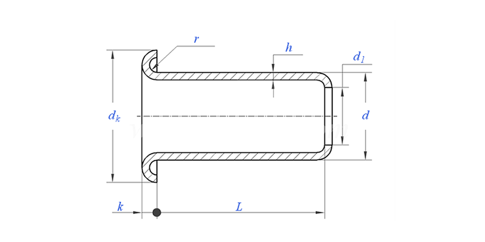
laarsoogjes tekening zoals hieronder:


Parameter laarsoogjes (specificatie)



Materiaal Messing, staal, aluminium, roestvrij staal, koper
Oppervlaktebehandeling Schoon, verzinkt, vernikkeld, verzilverd, zoals gevraagd
Certificaat Rohs-compatibel
Schachtdiameter 0,8-10 mm
Tolerantie +/-0,05 mm
Sollicitatie Geschikt voor gebruik in verschillende industrieën, waaronder de automobielsector, de lucht- en ruimtevaart, de elektrische en elektronische sector, enz.
Kwaliteitscontrole 100% inspectie van het hele assortiment tijdens de productie zorgt ervoor dat elk product voldoet aan de ISO-norm, waardoor producten van hoge kwaliteit worden gegarandeerd.




Functie en toepassing van laarsoogjes

Boot-oogjes vind je op veel soorten laarzen. Werklaarzen hebben ze. Wandelschoenen gebruiken ze. Militaire laarzen hebben ze ook nodig. Zelfs modieuze leren laarzen hebben Boot Eyelets. Ze helpen uw voeten veilig en comfortabel te houden. Zonder goede Boot Eyelets zouden laarzen niet goed passen en niet zo lang meegaan.


Productiedetails van laarsoogjes


Veelgestelde vragen:

Q1: Wat is uw MOQ voor laarsoogjes?

MOQ voor klinknagels is 20.000 stuks.


Vraag 2: Kunt u op maat maken met onze tekening?

Ja, de meeste van onze buisvormige klinknagels worden op maat gemaakt volgens de tekening van de klant.


Vraag 3: Kunt u gratis monsters van de holle klinknagels verstrekken?

We kunnen gratis monsters leveren voor de maat die we op voorraad hebben, maar de klanten betalen de Express-kosten.


Q4: Wat is uw levertijd?

Grootte van klinknagels op voorraad: 3-5 dagen, niet-standaard klinknagels: 15-25 dagen. Wij zullen de levering zo snel mogelijk uitvoeren met de garantiekwaliteit.


Q5: De kwaliteit van uw producten?

Het bedrijf beschikt over geavanceerde productie- en testapparatuur. Alle producten worden vóór verzending 100% geïnspecteerd door onze QC-afdeling.


Vraag 6: Waarom kiezen we voor Nuote-technologie?

1. Wij Nuote respecteren de klantvoorwaarden om de privacyprojecten van klanten te beschermen.

2. Hoge kwaliteit met aantrekkelijke prijs

3. Snelle doorlooptijd

4. Fijne deal en eerlijkheid tegenover klant en partner

5. Professionele verkoopadvertentie beantwoordt uw vraag binnen 8 uur.

6. De producten en service van Nuote worden verkocht aan meer dan 70 landen met een goede reputatie


Hottags: Laarsoogjes, China Laarsoogjes, Laarsoogjes Fabrikant
Gerelateerde categorie
Stuur onderzoek
Stel gerust uw vraag via onderstaand formulier. Wij zullen u binnen 24 uur antwoorden.
X
We gebruiken cookies om u een betere browse-ervaring te bieden, het siteverkeer te analyseren en de inhoud te personaliseren. Door deze site te gebruiken, gaat u akkoord met ons gebruik van cookies. Privacybeleid