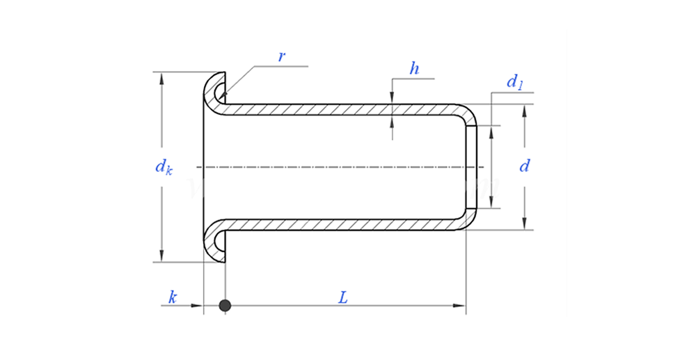
Gordijnoogjes zijn ontworpen voor zowel uiterlijk als functionaliteit. Ze hebben een glad binnenoppervlak waardoor de gordijnroede er gemakkelijk doorheen kan. Hierdoor wordt het openen en sluiten van de gordijnen heel eenvoudig. De oogjes zijn ook zo ontworpen dat ze hun vorm goed behouden, zodat ze na verloop van tijd niet meer uit vorm kunnen raken. Deze sterkte is een belangrijk kenmerk van gordijnogen van goede kwaliteit.
| Materiaal | Messing, staal, aluminium, roestvrij staal, koper |
| Oppervlaktebehandeling | Schoon, verzinkt, vernikkeld, verzilverd, zoals gevraagd |
| Certificaat | Rohs-compatibel |
| Schachtdiameter | 0,8-10 mm |
| Tolerantie | +/-0,05 mm |
| Sollicitatie | Geschikt voor gebruik in verschillende industrieën, waaronder de automobielsector, de ruimtevaart, de elektrische en elektronische sector, enz. |
| Kwaliteitscontrole | 100% inspectie van het hele assortiment tijdens de productie zorgt ervoor dat elk product voldoet aan de ISO-norm, waardoor producten van hoge kwaliteit worden gegarandeerd. |
Het belangrijkste gebruik van gordijnogen is uiteraard bij het ophangen van gordijnen. Ze creëren diepe en elegante plooien in de stof, waardoor elke kamer een zeer eigentijdse uitstraling krijgt. Doordat de gordijnogen zo soepel over de roede glijden, kost het heel weinig moeite om de gordijnen open of dicht te doen. Dit eenvoudige systeem maakt gordijnoogjes tegenwoordig voor veel mensen een populaire en praktische keuze.

Q1: Wat is uw MOQ voor gordijnoogjes?
MOQ voor klinknagels is 20.000 stuks.
Vraag 2: Kunt u op maat maken met onze tekening?
Ja, de meeste van onze buisvormige klinknagels worden op maat gemaakt volgens de tekening van de klant.
Vraag 3: Kunt u gratis monsters van de holle klinknagels verstrekken?
We kunnen gratis monsters leveren voor de maat die we op voorraad hebben, maar de klanten betalen de Express-kosten.
Q4: Wat is uw levertijd?
Grootte van klinknagels op voorraad: 3-5 dagen, niet-standaard klinknagels: 15-25 dagen. Wij zullen de levering zo snel mogelijk uitvoeren met de garantiekwaliteit.
Q5: De kwaliteit van uw producten?
Het bedrijf beschikt over geavanceerde productie- en testapparatuur. Alle producten worden vóór verzending 100% geïnspecteerd door onze QC-afdeling.
Vraag 6: Waarom kiezen we voor Nuote-technologie?
1. Wij Nuote respecteren de klantvoorwaarden om de privacyprojecten van klanten te beschermen.
2. Hoge kwaliteit met aantrekkelijke prijs
3. Snelle doorlooptijd
4. Fijne deal en eerlijkheid tegenover klant en partner
5. Professionele verkoopadvertentie beantwoordt uw vraag binnen 8 uur.
6. De producten en service van Nuote worden verkocht aan meer dan 70 landen met een goede reputatie