Oogje en wasmachine

Oogje en wasmachine

In veel alledaagse voorwerpen vindt u een oogje en sluitring. Het zijn kleine metalen onderdelen. Het oogje lijkt op een ringetje en de sluitring is een platte schijf. Ze worden tegen elkaar gedrukt om een ​​sterk, glad gat te creëren in materialen zoals stof of plastic. Dit voorkomt dat het materiaal scheurt. In China maakt Nuote Metals deze kleine maar nuttige onderdelen. wij produceren vele soorten oogjes en ringetjes voor verschillende klussen.

Stuur onderzoek

Productomschrijving

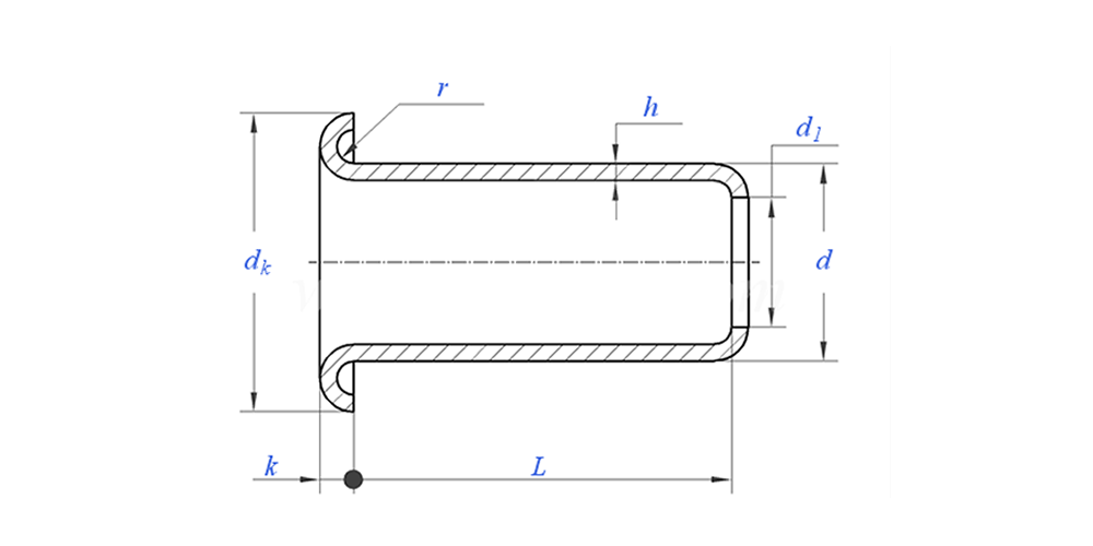
Introductie van oogje en sluitring

Wat een oogje en ring zo handig maakt, is hoe eenvoudig ze zijn. Het oogje steek je door een gaatje in het materiaal. Vervolgens plaats je de wasmachine op de achterkant. Een machine drukt erop en drukt de stukken samen. Hierdoor wordt het materiaal ertussen stevig opgesloten. Het resultaat is een schoon, sterk gat dat niet gemakkelijk verslijt. Door dit eenvoudige ontwerp is het oog en de sluitring een zeer betrouwbare oplossing.


tekening van oogjes en ringen zoals hieronder:

oogje en wasmachine toepassing tonen:

Parameter oogje en sluitring (specificatie)

Materiaal Messing
Oppervlaktebehandeling Schoon, verzinkt, vernikkeld, verzilverd, zoals gevraagd
Hoofdtype Stevige klinknagels met ronde kop
Certificaat Rohs-compatibel
Schachtdiameter 0,8-8 mm
Tolerantie +/-0,05 mm
Sollicitatie Geschikt voor gebruik in verschillende industrieën, waaronder de automobielsector, de ruimtevaart, de elektrische en elektronische sector, enz.
Kwaliteitscontrole 100% inspectie van het hele assortiment tijdens de productie zorgt ervoor dat elk product voldoet aan de ISO-norm, waardoor producten van hoge kwaliteit worden gegarandeerd.




Oogje en sluitring Functie en toepassing

Een goed voorbeeld van waar je een oog en ring ziet, is op een oliekan. Veel olieblikken hebben een kleine metalen tuit om te gieten. Deze tuit wordt veel gebruikt en kan gemakkelijk scheuren. Maar als je goed kijkt, zie je vaak een kleine metalen ring die de opening verstevigt. Dat zijn het oog en de sluitring op het werk. Het maakt de tuit sterk en voorkomt lekkages, waardoor de olie lang meegaat. Het is een perfect gebruik voor dit eenvoudige paar onderdelen.


oogje en sluitring Productiedetails

Verpakkingsinformatie

Veelgestelde vragen:

Q1: Wat is uw MOQ voor oogje en ring?

MOQ voor klinknagels is 20.000 stuks.


Vraag 2: Kunt u op maat maken met onze tekening?

Ja, de meeste van onze buisvormige klinknagels worden op maat gemaakt volgens de tekening van de klant.


Vraag 3: Kunt u gratis monsters van de holle klinknagels verstrekken?

We kunnen gratis monsters leveren voor de maat die we op voorraad hebben, maar de klanten betalen de Express-kosten.


Q4: Wat is uw levertijd?

Grootte van klinknagels op voorraad: 3-5 dagen, niet-standaard klinknagels: 15-25 dagen. Wij zullen de levering zo snel mogelijk uitvoeren met de garantiekwaliteit.


Q5: De kwaliteit van uw producten?

Het bedrijf beschikt over geavanceerde productie- en testapparatuur. Alle producten worden vóór verzending 100% geïnspecteerd door onze QC-afdeling.


Vraag 6: Waarom kiezen we voor Nuote-technologie?

1. Wij Nuote respecteren de klantvoorwaarden om de privacyprojecten van klanten te beschermen.

2. Hoge kwaliteit met aantrekkelijke prijs

3. Snelle doorlooptijd

4. Fijne deal en eerlijkheid tegenover klant en partner

5. Professionele verkoopadvertentie beantwoordt uw vraag binnen 8 uur.

6. De producten en service van Nuote worden verkocht aan meer dan 70 landen met een goede reputatie


Hottags: Oogje en ring, China oogje en ring, fabrikant van oogje en ring
Gerelateerde categorie
Stuur onderzoek
Stel gerust uw vraag via onderstaand formulier. Wij zullen u binnen 24 uur antwoorden.
X
We gebruiken cookies om u een betere browse-ervaring te bieden, het siteverkeer te analyseren en de inhoud te personaliseren. Door deze site te gebruiken, gaat u akkoord met ons gebruik van cookies. Privacybeleid