Metalen doorvoertule

Metalen doorvoertule

Wij zijn Nuote Metals uit Dongguan, China. Onze fabriek maakt vele soorten metalen doorvoertules voor verschillende toepassingen. Wij maken al meer dan tien jaar producten met metalen doorvoertules. We gebruiken verschillende metalen om deze metalen doorvoertules te maken. Messing, staal en aluminium zijn veel voorkomende materialen. Wij maken metalen doorvoertules in alle maten. Kleine voor schoenen, grote voor zeilen. Elke metalen doorvoertule wordt vóór het verpakken door onze medewerkers gecontroleerd. Ze testen elk onderdeel om er zeker van te zijn dat het goed werkt. Veel klanten kopen onze producten met metalen doorvoertules regelmatig. Ze waarderen onze goede kwaliteit en betrouwbare levering.

Stuur onderzoek

Productomschrijving

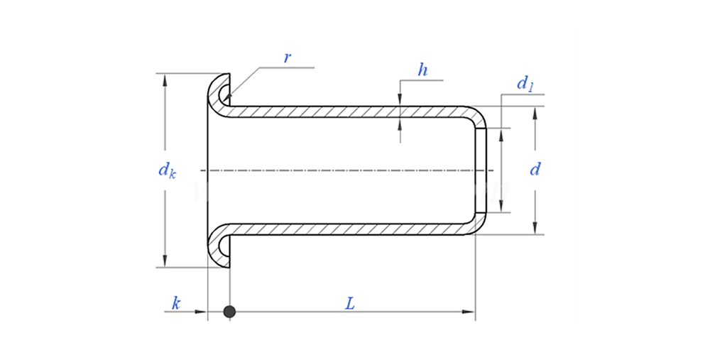
Invoering

Een metalen doorvoertule is een ring die gaten sterker maakt. Het wordt geplaatst in materiaal zoals stof of leer. Wanneer je iets door de metalen doorvoertule trekt, scheurt het gat niet. De metalen doorvoertule beschermt het materiaal. Het zorgt er ook voor dat het product er verzorgd uitziet. De meeste metalen doorvoertules zijn rond van vorm. Ze zijn eenvoudig te installeren met een persmachine. De machine plaatst de metalen doorvoertule snel in het materiaal. Dan blijft de metalen doorvoer stevig op zijn plaats zitten voor langdurig gebruik.


Tekening van de metalen doorvoertule zoals hieronder:

Parameter metalen doorvoertule (specificatie)



Materiaal Messing, staal, aluminium, roestvrij staal, koper
Oppervlaktebehandeling Schoon, verzinkt, vernikkeld, verzilverd, zoals gevraagd
Certificaat Rohs-compatibel
Schachtdiameter 0,8-10 mm
Tolerantie +/-0,05 mm
Sollicitatie Geschikt voor gebruik in verschillende industrieën, waaronder de automobielsector, de ruimtevaart, de elektrische en elektronische sector, enz.
Kwaliteitscontrole 100% inspectie van het hele assortiment tijdens de productie zorgt ervoor dat elk product voldoet aan de ISO-norm, waardoor producten van hoge kwaliteit worden gegarandeerd.


Functie en toepassing van metalen doorvoertule

Metalen doorvoertule heeft vele toepassingen. Schoenen gebruiken een metalen doorvoertule voor vetergaten. Tassen gebruiken metalen doorvoertule voor handvatten en riemen. Tenten en zeilen hebben een metalen doorvoertule voor touwen nodig. Kleding zoals hoodies heeft soms een metalen ring voor touwtjes. Meubelhoezen gebruiken een metalen doorvoertule voor het vastbinden. Industriële producten hebben ook een metalen doorvoertule nodig voor verschillende functies. Dankzij deze kleine metalen doorvoertule werken veel producten beter en gaan ze langer mee. Dat is de reden waarom zoveel fabrieken graag voor onze metalen doorvoertules willen kiezen. Ze vertrouwen op onze ervaring en kwaliteitscontrole.


Productiedetails van metalen kledingstukken

Verpakkingsinformatie

Veelgestelde vragen:

Q1: Wat is uw MOQ voor metalen doorvoertule?

MOQ voor klinknagels is 20.000 stuks.


Vraag 2: Kunt u op maat maken met onze tekening?

Ja, de meeste van onze buisvormige klinknagels worden op maat gemaakt volgens de tekening van de klant.


Vraag 3: Kunt u gratis monsters van de holle klinknagels verstrekken?

We kunnen gratis monsters leveren voor de maat die we op voorraad hebben, maar de klanten betalen de Express-kosten.


Q4: Wat is uw levertijd?

Grootte van klinknagels op voorraad: 3-5 dagen, niet-standaard klinknagels: 15-25 dagen. Wij zullen de levering zo snel mogelijk uitvoeren met de garantiekwaliteit.


Q5: De kwaliteit van uw producten?

Het bedrijf beschikt over geavanceerde productie- en testapparatuur. Alle producten worden vóór verzending 100% geïnspecteerd door onze QC-afdeling.


Vraag 6: Waarom kiezen we voor Nuote-technologie?

1. Wij Nuote respecteren de klantvoorwaarden om de privacyprojecten van klanten te beschermen.

2. Hoge kwaliteit met aantrekkelijke prijs

3. Snelle doorlooptijd

4. Fijne deal en eerlijkheid tegenover klant en partner

5. Professionele verkoopadvertentie beantwoordt uw vraag binnen 8 uur.

6. De producten en service van Nuote worden verkocht aan meer dan 70 landen met een goede reputatie


Hottags: Metalen doorvoertule China, fabrikant van metalen doorvoertules, leverancier van metalen doorvoertules
Gerelateerde categorie
Stuur onderzoek
Stel gerust uw vraag via onderstaand formulier. Wij zullen u binnen 24 uur antwoorden.
X
We gebruiken cookies om u een betere browse-ervaring te bieden, het siteverkeer te analyseren en de inhoud te personaliseren. Door deze site te gebruiken, gaat u akkoord met ons gebruik van cookies. Privacybeleid