PCB-oogjes

PCB-oogjes

PCB-oogjes zijn kleine metalen ringen die zijn ontworpen om in een printplaat te worden geïnstalleerd. Het lijkt misschien eenvoudig, maar het speelt een belangrijke rol. Mensen gebruiken ze om sterke en betrouwbare gaten in een printplaat te maken. Dit kleine onderdeel zorgt ervoor dat verbindingen niet beschadigd raken tijdens montage of gebruik. Nuote Metals helpt u graag verder om meer te weten te komen over oogjes voor PCB.

Stuur onderzoek

Productomschrijving

Introductie van PCB-oogjes

De belangrijkste taak van een PCB-oog is het versterken van een gat. Het is meestal gemaakt van messing en vaak bedekt met tin of soldeer. Hierdoor kunnen er eenvoudig componenten aan worden gesoldeerd. Wanneer het in de plaat wordt gedrukt, versterkt een PCB-oogje het gat, waardoor scheuren in het koperspoor worden voorkomen. Het fungeert als een duurzame hoes die het delicate printplaatmateriaal beschermt.


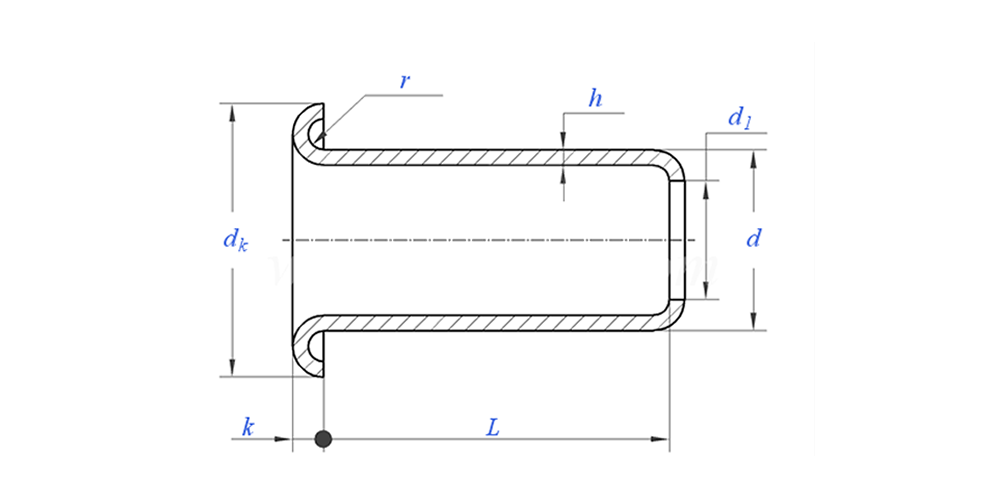
PCB-oogjes tekenen zoals hieronder:

PCB-oogjesparameter (specificatie)



Materiaal Messing
Oppervlaktebehandeling Schoon, verzinkt, vernikkeld, verzilverd, zoals gevraagd
Certificaat Rohs-compatibel
Schachtdiameter 0,8-10 mm
Tolerantie +/-0,05 mm
Sollicitatie Geschikt voor gebruik in verschillende industrieën, waaronder de automobielsector, de ruimtevaart, de elektrische en elektronische sector, enz.
Kwaliteitscontrole 100% inspectie van het hele assortiment tijdens de productie zorgt ervoor dat elk product voldoet aan de ISO-norm, waardoor producten van hoge kwaliteit worden gegarandeerd.



PCB oogjes toepassing tonen:


Functie en toepassing van PCB-oogjes

U vindt PCB-oogjes die in veel elektronische producten worden gebruikt. Ze zijn perfect voor plaatsen waar een sterk verbindingspunt nodig is, zoals een transformator of een grote componentpoot. Een PCB-oogje is ook gebruikelijk op testpunten, waar een sonde herhaaldelijk kan worden aangesloten. Bij schakelaars of connectoren zorgt het PCB-oogje ervoor dat de mechanische spanning op de metalen huls komt te liggen, en niet op het kwetsbare bord zelf. Ze zijn essentieel voor het maken van elektronica die lang meegaat.


PCB-oogjes Productiedetails

Verpakkingsinformatie

Veelgestelde vragen:

Vraag 1: Wat is uw MOQ voor PCB-oogjes?

MOQ voor klinknagels is 20.000 stuks.


Vraag 2: Kunt u op maat maken met onze tekening?

Ja, de meeste van onze buisvormige klinknagels worden op maat gemaakt volgens de tekening van de klant.


Vraag 3: Kunt u gratis monsters van de holle klinknagels verstrekken?

We kunnen gratis monsters leveren voor de maat die we op voorraad hebben, maar de klanten betalen de Express-kosten.


Q4: Wat is uw levertijd?

Grootte van klinknagels op voorraad: 3-5 dagen, niet-standaard klinknagels: 15-25 dagen. Wij zullen de levering zo snel mogelijk uitvoeren met de garantiekwaliteit.


Q5: De kwaliteit van uw producten?

Het bedrijf beschikt over geavanceerde productie- en testapparatuur. Alle producten worden vóór verzending 100% geïnspecteerd door onze QC-afdeling.


Vraag 6: Waarom kiezen we voor Nuote-technologie?

1. Wij Nuote respecteren de klantvoorwaarden om de privacyprojecten van klanten te beschermen.

2. Hoge kwaliteit met aantrekkelijke prijs

3. Snelle doorlooptijd

4. Fijne deal en eerlijkheid tegenover klant en partner

5. Professionele verkoopadvertentie beantwoordt uw vraag binnen 8 uur.

6. De producten en service van Nuote worden verkocht aan meer dan 70 landen met een goede reputatie


Hottags: PCB-oogjes, oogjes voor PCB, China PCB-oogjes
Gerelateerde categorie
Stuur onderzoek
Stel gerust uw vraag via onderstaand formulier. Wij zullen u binnen 24 uur antwoorden.
X
We gebruiken cookies om u een betere browse-ervaring te bieden, het siteverkeer te analyseren en de inhoud te personaliseren. Door deze site te gebruiken, gaat u akkoord met ons gebruik van cookies. Privacybeleid