Schoenoogjes

Schoenoogjes

Wij maken schoenoogjes in onze fabriek in Dongguan, China. Oogjes zijn kleine metalen ringetjes, die je voor de veters ook op schoenen ziet. ze worden ook wel doorvoertules genoemd. We maken ze sterk, zodat ze niet breken als je je veters strak trekt. Onze schoenoogjes zijn gemaakt van verschillende metalen, zoals messing, aluminium en roestvrij staal. En ze kunnen in verschillende kleuren worden gemaakt, zodat ze bij alle soorten schoenen passen.

Stuur onderzoek

Productomschrijving

De belangrijkste taak van Shoe Eyelets is het beschermen van de schoen. Wanneer je aan je veters trekt, vangt de metalen ring de druk op in plaats van het schoenmateriaal. Dit voorkomt dat de gaten groter worden of scheuren. Goede schoenoogjes maken het ook gemakkelijker om je veters erdoorheen te schuiven. Ze helpen je je schoenen snel te strikken zonder dat de veters vast komen te zitten.


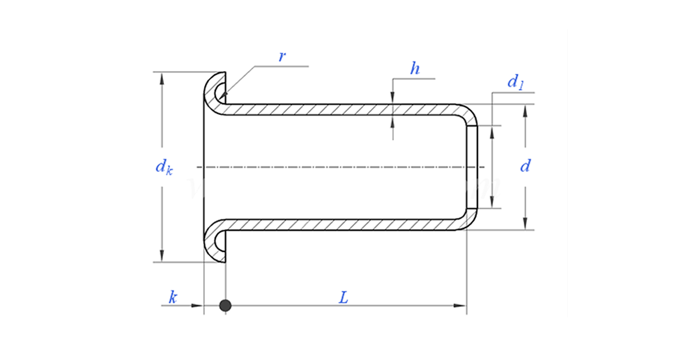
Schoenoogjes tekenen zoals hieronder:

Parameter schoenoogjes (specificatie)



Materiaal Messing, staal, aluminium, roestvrij staal, koper
Oppervlaktebehandeling Schoon, verzinkt, vernikkeld, verzilverd, zoals gevraagd
Certificaat Rohs-compatibel
Schachtdiameter 0,8-10 mm
Tolerantie +/-0,05 mm
Sollicitatie Geschikt voor gebruik in verschillende industrieën, waaronder de automobielsector, de ruimtevaart, de elektrische en elektronische sector, enz.
Kwaliteitscontrole 100% inspectie van het hele assortiment tijdens de productie zorgt ervoor dat elk product voldoet aan de ISO-norm, waardoor producten van hoge kwaliteit worden gegarandeerd.



Toepassing tonen:



Schoenoogjes Functie en toepassing

Op bijna elke schoen met veters zie je schoenoogjes zitten. Schoolschoenen voor kinderen moeten bestand zijn tegen ruig spel. Hardloopschoenen gebruiken ze om atleten te helpen een veilige pasvorm te krijgen. Zelfs mooie leren schoenen hebben schoenoogjes, hoewel ze er soms decoratiever uitzien. Zonder deze kleine metalen ringen zouden onze schoenen veel sneller verslijten en moeilijker aan te trekken zijn.


metalen oogje Productiedetails

Verpakkingsinformatie

Veelgestelde vragen:

Q1: Wat is uw MOQ voor schoenenoogje?

MOQ voor klinknagels is 20.000 stuks.


Vraag 2: Kunt u op maat maken met onze tekening?

Ja, de meeste van onze buisvormige klinknagels worden op maat gemaakt volgens de tekening van de klant.


Vraag 3: Kunt u gratis monsters van de holle klinknagels verstrekken?

We kunnen gratis monsters leveren voor de maat die we op voorraad hebben, maar de klanten betalen de Express-kosten.


Q4: Wat is uw levertijd?

Grootte van klinknagels op voorraad: 3-5 dagen, niet-standaard klinknagels: 15-25 dagen. Wij zullen de levering zo snel mogelijk uitvoeren met de garantiekwaliteit.


Q5: De kwaliteit van uw producten?

Het bedrijf beschikt over geavanceerde productie- en testapparatuur. Alle producten worden vóór verzending 100% geïnspecteerd door onze QC-afdeling.


Vraag 6: Waarom kiezen we voor Nuote-technologie?

1. Wij Nuote respecteren de klantvoorwaarden om de privacyprojecten van klanten te beschermen.

2. Hoge kwaliteit met aantrekkelijke prijs

3. Snelle doorlooptijd

4. Fijne deal en eerlijkheid tegenover klant en partner

5. Professionele verkoopadvertentie beantwoordt uw vraag binnen 8 uur.

6. De producten en service van Nuote worden verkocht aan meer dan 70 landen met een goede reputatie


Hottags: Schoenoogjes, Chinese schoenoogjes, fabrikant van schoenoogjes
Gerelateerde categorie
Stuur onderzoek
Stel gerust uw vraag via onderstaand formulier. Wij zullen u binnen 24 uur antwoorden.
X
We gebruiken cookies om u een betere browse-ervaring te bieden, het siteverkeer te analyseren en de inhoud te personaliseren. Door deze site te gebruiken, gaat u akkoord met ons gebruik van cookies. Privacybeleid