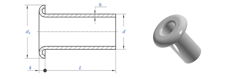
We kunnen lange buisvormige klinknagels produceren van meer dan 3 miljoen stuks per dag. de tolerantie is meestal +/- 0,05 mm of we kunnen maken volgens het verzoek van de klant volgens tekening. Ze voldoen aan Rohs en worden meestal gebruikt in buisverlichting of andere industrieën.

Vraag 1: Wat is uw MOQ voor holle pinnen van messing?
MOQ voor klinknagels is 20.000 stuks.
Vraag 2: Kunt u op maat maken met onze tekening?
Ja, de meeste van onze holle pennen worden op maat gemaakt volgens de tekening van de klant.
Vraag 3: Kunt u gratis monsters van de holle pinnen verstrekken?
We kunnen gratis monsters leveren voor de maat die we op voorraad hebben, maar de klanten betalen de Express-kosten.
Q4: Wat is uw levertijd?
Grootte van klinknagels op voorraad: 3-5 dagen, niet-standaard klinknagels: 15-25 dagen. Wij zullen de levering zo snel mogelijk uitvoeren met de garantiekwaliteit.
Q5: De kwaliteit van uw producten?
Het bedrijf beschikt over geavanceerde productie- en testapparatuur. Alle producten worden vóór verzending 100% geïnspecteerd door onze QC-afdeling.
Vraag 6: Waarom kiezen we voor Nuote-technologie?
1. Wij Nuote respecteren de klantvoorwaarden om de privacyprojecten van klanten te beschermen.
2. Hoge kwaliteit met aantrekkelijke prijs
3. Snelle doorlooptijd
4. Fijne deal en eerlijkheid tegenover klant en partner
5. Professionele verkoopadvertentie beantwoordt uw vraag binnen 8 uur.
6. De producten en service van Nuote worden verkocht aan meer dan 70 landen met een goede reputatie