316 roestvrijstalen oogjes

316 roestvrijstalen oogjes

In onze fabriek in Dongguan produceert Nuote Metals duurzame 316 roestvrijstalen oogjes. Dit materiaal is bijzonder omdat het zeer goed bestand is tegen roest. Wij produceren al jaren 316 RVS zeilringen. Deze oogjes zijn sterk en kunnen lang meegaan. Wij maken ze in verschillende maten. Sommige zijn klein voor delicate producten. Sommige zijn groot voor zwaar gebruik. Elk oog van roestvrij staal 316 wordt door ons team gecontroleerd. Ze zorgen ervoor dat elk stuk glad en schoon is. Veel klanten kiezen voor onze 316 roestvrijstalen oogjes. Ze vertrouwen op de kwaliteit en duurzaamheid. Wij kunnen binnen enkele dagen monsters leveren.

Stuur onderzoek

Productomschrijving

316 roestvrijstalen oogjes Introductie

316 roestvrijstalen oogjes zijn gemaakt van hoogwaardig staal. Dit staal bevat molybdeen. Dat zorgt ervoor dat 316 roestvrijstalen oogjes beter bestand zijn tegen corrosie. Ze roesten niet in zout water of vochtige lucht. Deze oogjes zijn ook sterk onder druk. Ze buigen of breken niet gemakkelijk. Voor de productie van 316 RVS zeilringen gebruiken wij nauwkeurige machines. De machines snijden en vormen het staal tot perfecte ringen. Vervolgens polijsten we elk 316 roestvrijstalen oogje. Hierdoor krijgen ze een mooie afwerking en gladde randen.


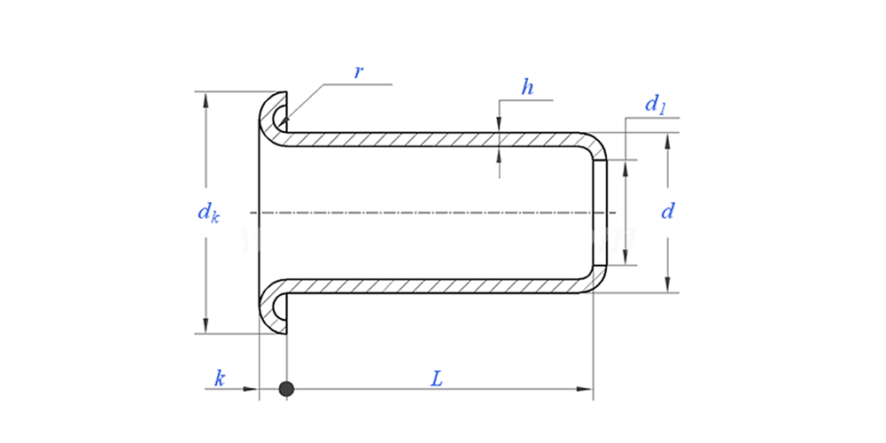
316 roestvrijstalen oogjes tekenen zoals hieronder:

316 roestvrijstalen oogjesparameter (specificatie)



Materiaal roestvrij staal
Oppervlaktebehandeling Schoon, verzinkt, vernikkeld, verzilverd, zoals gevraagd
Certificaat Rohs-compatibel
Schachtdiameter 0,8-10 mm
Tolerantie +/-0,05 mm
Sollicitatie Geschikt voor gebruik in verschillende industrieën, waaronder de automobielsector, de lucht- en ruimtevaart, de elektrische en elektronische sector, enz.
Kwaliteitscontrole 100% inspectie van het hele assortiment tijdens de productie zorgt ervoor dat elk product voldoet aan de ISO-norm, waardoor producten van hoge kwaliteit worden gegarandeerd.


316 roestvrijstalen oogjes Functie en toepassing

316 roestvrijstalen oogjes worden gebruikt in zware omgevingen. Boot- en maritieme apparatuur gebruiken ze vanwege het zoute water. Buitenarmaturen gebruiken ze bij alle weersomstandigheden. Chemische fabrieken hebben ze soms nodig vanwege hun resistentie. Voedselverwerkingsapparatuur kan ze ook gebruiken. Hoogwaardige outdooruitrusting heeft deze oogjes nodig. Zelfs architectonische projecten gebruiken 316 roestvrijstalen oogjes voor decoratie en functie. Ze worden gekozen waar gewone oogjes zouden roesten. Onze klanten vertrouwen voor belangrijke toepassingen op onze 316 roestvrijstalen oogjes. Ze weten dat deze oogjes goed zullen presteren en er jarenlang goed uit zullen zien. We zijn er trots op dat we hier in Dongguan zulke betrouwbare producten kunnen maken.


316 roestvrijstalen oogjesdetails


Veelgestelde vragen:

Vraag 1: Wat is uw MOQ voor 316 roestvrijstalen oogjes?

MOQ voor klinknagels is 20.000 stuks.


Vraag 2: Kunt u op maat maken met onze tekening?

Ja, de meeste van onze buisvormige klinknagels worden op maat gemaakt volgens de tekening van de klant.


Vraag 3: Kunt u gratis monsters van de holle klinknagels verstrekken?

We kunnen gratis monsters leveren voor de maat die we op voorraad hebben, maar de klanten betalen de Express-kosten.


Q4: Wat is uw levertijd?

Grootte van klinknagels op voorraad: 3-5 dagen, niet-standaard klinknagels: 15-25 dagen. Wij zullen de levering zo snel mogelijk uitvoeren met de garantiekwaliteit.


Q5: De kwaliteit van uw producten?

Het bedrijf beschikt over geavanceerde productie- en testapparatuur. Alle producten worden vóór verzending 100% geïnspecteerd door onze QC-afdeling.


Vraag 6: Waarom kiezen we voor Nuote-technologie?

1. Wij Nuote respecteren de klantvoorwaarden om de privacyprojecten van klanten te beschermen.

2. Hoge kwaliteit met aantrekkelijke prijs

3. Snelle doorlooptijd

4. Fijne deal en eerlijkheid tegenover klant en partner

5. Professionele verkoopadvertentie beantwoordt uw vraag binnen 8 uur.

6. De producten en service van Nuote worden verkocht aan meer dan 70 landen met een goede reputatie

Hottags: 316 roestvrijstalen oogjes, SUS316L oogjes, China roestvrijstalen oogjes
Gerelateerde categorie
Stuur onderzoek
Stel gerust uw vraag via onderstaand formulier. Wij zullen u binnen 24 uur antwoorden.
X
We gebruiken cookies om u een betere browse-ervaring te bieden, het siteverkeer te analyseren en de inhoud te personaliseren. Door deze site te gebruiken, gaat u akkoord met ons gebruik van cookies. Privacybeleid