Roestvrij oogjes

Roestvrij oogjes

Wij zijn Nuote Metals uit Dongguan, China. Onze fabriek maakt hoogwaardige roestvrijstalen oogjes voor verschillende industrieën. Wij produceren al vele jaren roestvrijstalen zeilringen. We gebruiken goed roestvrij staal materiaal. Dit materiaal maakt onze roestvrijstalen oogjes sterk en roestvrij. Wij maken RVS oogjes in vele maten. Sommige zijn klein voor elektronica. Sommige zijn groot voor buitenproducten. Elk RVS oogje wordt door onze medewerkers gecontroleerd. Ze bekijken elk stuk aandachtig. Veel klanten kiezen voor onze roestvrijstalen oogjes omdat ze goed werken en lang meegaan. Voor nieuwe projecten kunnen wij snel monsters maken.

Stuur onderzoek

Productomschrijving

Roestvrij oogjes Introductie

RVS oogjes zijn metalen ringen gemaakt van roestvrij staal. Ze worden gebruikt om gaten in materialen te versterken. De roestvrijstalen oogjes beschermen de gaten tegen beschadiging. Ze behouden hun vorm, zelfs als er hard aan wordt getrokken. Deze roestvrijstalen oogjes roesten niet in natte omstandigheden. Ze blijven jarenlang glanzend en sterk. Voor het plaatsen van RVS oogjes is een speciale machine nodig. De machine drukt het roestvrijstalen oog in het materiaal. Eenmaal geïnstalleerd, blijft hij stevig op zijn plaats. Dit maakt producten beter en duurzamer.



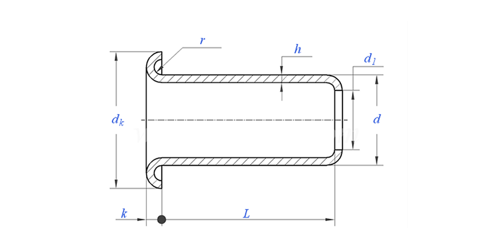
Parameter roestvrije oogjes (specificatie)



Materiaal roestvrij staal
Oppervlaktebehandeling Schoon, verzinkt, vernikkeld, verzilverd, zoals gevraagd
Certificaat Rohs-compatibel
Schachtdiameter 0,8-10 mm
Tolerantie +/-0,05 mm
Sollicitatie Geschikt voor gebruik in verschillende industrieën, waaronder de automobielsector, de ruimtevaart, de elektrische en elektronische sector, enz.
Kwaliteitscontrole 100% inspectie van het hele assortiment tijdens de productie zorgt ervoor dat elk product voldoet aan de ISO-norm, waardoor producten van hoge kwaliteit worden gegarandeerd.


Roestvrij oogjes tekening zoals hieronder:

Toepassing tonen:


Functie en toepassing van roestvrijstalen oogjes

Roestvrije oogjes hebben veel toepassingen. Schoenen en laarzen hebben roestvrijstalen oogjes voor veters nodig. Outdooruitrusting maakt gebruik van roestvrijstalen ogen voor touwen en koorden. Voor tassen en bagage zijn roestvrijstalen oogjes voor de riemen nodig. Tenten en zeilen hebben roestvrijstalen ogen nodig om ze vast te maken. Elektronica gebruikt soms kleine roestvrijstalen oogjes voor draden. Uitrusting van zeeschepen heeft roestvrijstalen oogjes nodig omdat ze bestand zijn tegen zout water. Deze roestvrijstalen oogjes maken producten betrouwbaar en duurzaam. Onze klanten vertrouwen op onze roestvrijstalen oogjes voor hun belangrijke producten. Ze weten dat onze roestvrijstalen oogjes onder alle omstandigheden goed zullen presteren.


Verpakkingsinformatie

Productiedetails van roestvrijstalen oogjes


Veelgestelde vragen:

Vraag 1: Wat is uw MOQ voor roestvrijstalen oogjes?

MOQ voor klinknagels is 20.000 stuks.


Vraag 2: Kunt u op maat maken met onze tekening?

Ja, de meeste van onze buisvormige klinknagels worden op maat gemaakt volgens de tekening van de klant.


Vraag 3: Kunt u gratis monsters van de holle klinknagels verstrekken?

We kunnen gratis monsters leveren voor de maat die we op voorraad hebben, maar de klanten betalen de Express-kosten.


Q4: Wat is uw levertijd?

Grootte van klinknagels op voorraad: 3-5 dagen, niet-standaard klinknagels: 15-25 dagen. Wij zullen de levering zo snel mogelijk uitvoeren met de garantiekwaliteit.


Q5: De kwaliteit van uw producten?

Het bedrijf beschikt over geavanceerde productie- en testapparatuur. Alle producten worden vóór verzending 100% geïnspecteerd door onze QC-afdeling.


Vraag 6: Waarom kiezen we voor Nuote-technologie?

1. Wij Nuote respecteren de klantvoorwaarden om de privacyprojecten van klanten te beschermen.

2. Hoge kwaliteit met aantrekkelijke prijs

3. Snelle doorlooptijd

4. Fijne deal en eerlijkheid tegenover klant en partner

5. Professionele verkoopadvertentie beantwoordt uw vraag binnen 8 uur.

6. De producten en service van Nuote worden verkocht aan meer dan 70 landen met een goede reputatie


Hottags: Roestvrije oogjes, fabrikant van roestvrijstalen oogjes, roestvrijstalen oogjes uit China
Gerelateerde categorie
Stuur onderzoek
Stel gerust uw vraag via onderstaand formulier. Wij zullen u binnen 24 uur antwoorden.
X
We gebruiken cookies om u een betere browse-ervaring te bieden, het siteverkeer te analyseren en de inhoud te personaliseren. Door deze site te gebruiken, gaat u akkoord met ons gebruik van cookies. Privacybeleid