Oogje klinknagel

Oogje klinknagel

Een oogklinknagel is een kleine maar nuttige sluiting. Het heeft de vorm van een korte buis en is vaak gemaakt van messing of staal. Wanneer geïnstalleerd, loopt de staart van de klinknagel uit om materialen veilig met elkaar te verbinden. Veel bedrijven over de hele wereld produceren deze betrouwbare componenten. Nuote Metals, gevestigd in Dongguan, China, is een bekende fabrikant van hoogwaardige oogklinknagels.

Stuur onderzoek

Productomschrijving

Introductie van oogklinknagel

Een oogklinknagel werkt door een sterke, permanente verbinding tussen materialen te creëren. In tegenstelling tot een massieve klinknagel heeft deze een hol midden. Dit gat maakt de oogklinknagel licht van gewicht. Het kan ook draden of kleine kabels doorlaten. Het plaatsen van een oogklinknagel is snel en eenvoudig. Daarom maken zoveel fabrieken er graag gebruik van.


Oogje klinknagelparameter (specificatie)

Materiaal Messing, staal, aluminium, roestvrij staal, koper
Oppervlaktebehandeling Schoon, verzinkt, vernikkeld, verzilverd, zoals gevraagd
Certificaat Rohs-compatibel
Schachtdiameter 0,8-10 mm
Tolerantie +/-0,05 mm
Sollicitatie Geschikt voor gebruik in verschillende industrieën, waaronder de automobielsector, de ruimtevaart, de elektrische en elektronische sector, enz.
Kwaliteitscontrole 100% inspectie van het hele assortiment tijdens de productie zorgt ervoor dat elk product voldoet aan de ISO-norm, waardoor producten van hoge kwaliteit worden gegarandeerd.



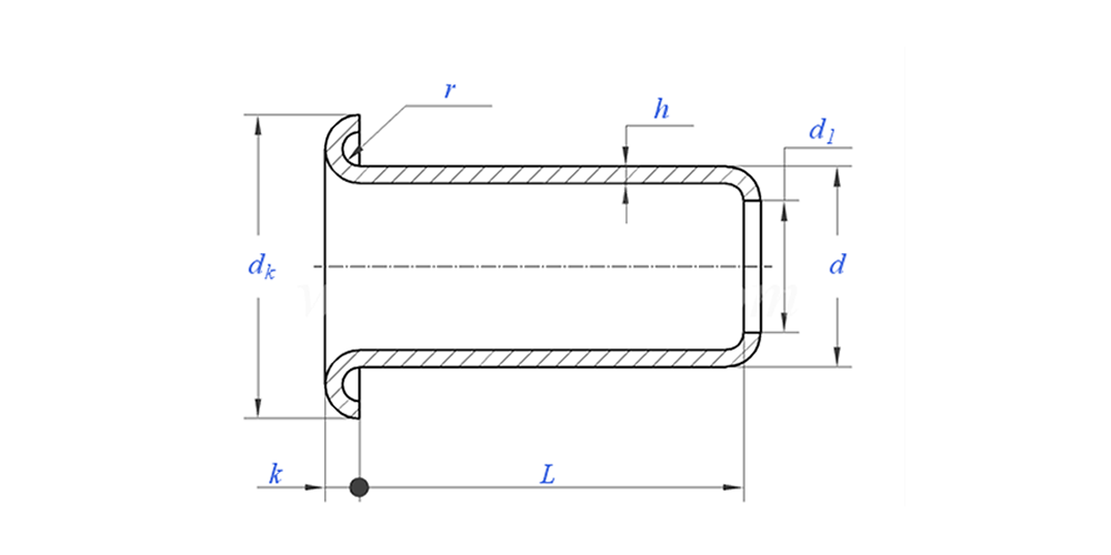
oogje klinknagel tekening zoals hieronder:


Oogje klinknagel functie en toepassing

Oogklinknagels vind je in veel alledaagse dingen. Het wordt gebruikt in schoenen voor de veters en in tassen voor de riemen. Dit kleine onderdeel is ook erg belangrijk in elektronica en auto's. Het houdt verschillende materialen stevig bij elkaar. De oogklinknagel is een eenvoudige maar betrouwbare oplossing voor veel montagebehoeften.


Oogje klinknagel productiedetails

Verpakkingsinformatie

Veelgestelde vragen:

Q1: Wat is uw MOQ voor oogklinknagel?

MOQ voor klinknagels is 20.000 stuks.


Vraag 2: Kunt u op maat maken met onze tekening?

Ja, de meeste van onze buisvormige klinknagels worden op maat gemaakt volgens de tekening van de klant.


Vraag 3: Kunt u gratis monsters van de holle klinknagels verstrekken?

We kunnen gratis monsters leveren voor de maat die we op voorraad hebben, maar de klanten betalen de Express-kosten.


Q4: Wat is uw levertijd?

Grootte van klinknagels op voorraad: 3-5 dagen, niet-standaard klinknagels: 15-25 dagen. Wij zullen de levering zo snel mogelijk uitvoeren met de garantiekwaliteit.


Q5: De kwaliteit van uw producten?

Het bedrijf beschikt over geavanceerde productie- en testapparatuur. Alle producten worden vóór verzending 100% geïnspecteerd door onze QC-afdeling.


Vraag 6: Waarom kiezen we voor Nuote-technologie?

1. Wij Nuote respecteren de klantvoorwaarden om de privacyprojecten van klanten te beschermen.

2. Hoge kwaliteit met aantrekkelijke prijs

3. Snelle doorlooptijd

4. Fijne deal en eerlijkheid tegenover klant en partner

5. Professionele verkoopadvertentie beantwoordt uw vraag binnen 8 uur.

6. De producten en service van Nuote worden verkocht aan meer dan 70 landen met een goede reputatie


Hottags: Oogje klinknagel, China oogje klinknagel, oogje klinknagel fabrikant
Gerelateerde categorie
Stuur onderzoek
Stel gerust uw vraag via onderstaand formulier. Wij zullen u binnen 24 uur antwoorden.
X
We gebruiken cookies om u een betere browse-ervaring te bieden, het siteverkeer te analyseren en de inhoud te personaliseren. Door deze site te gebruiken, gaat u akkoord met ons gebruik van cookies. Privacybeleid