Metalen oogjes

Metalen oogjes

Je hebt waarschijnlijk al vaak metalen oogjes gezien zonder dat je ze opmerkte. Het zijn die kleine metalen ringetjes die gaten in allerlei producten versterken. Een metalen oogje ziet er misschien eenvoudig uit, maar is ontworpen om een ​​veelvoorkomend probleem op te lossen: voorkomen dat gaten scheuren of verslijten. Of het nu in je schoenen of in je rugzak zit, dit kleine onderdeel werkt hard om ervoor te zorgen dat alles langer meegaat.

Stuur onderzoek

Productomschrijving

Introductie van metalen oogje

Het plaatsen van een metalen oogje is vrij eenvoudig. Je steekt het hoofddeel door het materiaal en drukt vervolgens het sluitstuk op de achterkant. Met speciaal gereedschap kan dit snel, maar zelfs eenvoudig gereedschap werkt prima. Het mooie van een metalen oogje is dat het het materiaal rond het gat beschermt tegen slijtage, waardoor alles netjes en sterk blijft.


Metalen oogje-applicatie toont:

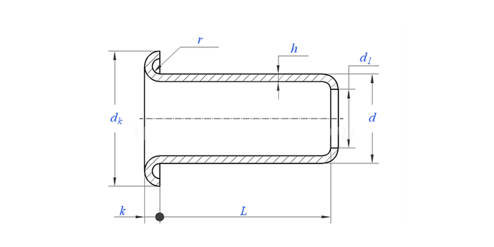
metalen oogje tekening zoals hieronder:


Parameter metalen oogjes (specificatie)



Materiaal Messing, staal, aluminium, roestvrij staal, koper
Oppervlaktebehandeling Schoon, verzinkt, vernikkeld, verzilverd, zoals gevraagd
Certificaat Rohs-compatibel
Schachtdiameter 0,8-10 mm
Tolerantie +/-0,05 mm
Sollicitatie Geschikt voor gebruik in verschillende industrieën, waaronder de automobielsector, de ruimtevaart, de elektrische en elektronische sector, enz.
Kwaliteitscontrole 100% inspectie van het hele assortiment tijdens de productie zorgt ervoor dat elk product voldoet aan de ISO-norm, waardoor producten van hoge kwaliteit worden gegarandeerd.



Functie en toepassing van metalen oogjes

Je zou verbaasd zijn op hoeveel plaatsen je metalen oogjes kunt vinden die hard werken. Ze zijn de reden dat de vetergaten in je schoenen na herhaaldelijk gebruik niet scheuren. In outdooruitrusting zoals tenten en zeilen zijn metalen oogjes bestand tegen zware weersomstandigheden zonder te falen. Ze zijn ook essentieel in industriële omgevingen en helpen bij het ordenen van kabels en draden. Overal waar een gat is dat bescherming nodig heeft, zul je waarschijnlijk een metalen oogje aantreffen dat zijn werk doet.


Productiedetails van metalen oogjes

Verpakkingsinformatie

Veelgestelde vragen:

Q1: Wat is uw MOQ voor metalen oogje?

MOQ voor klinknagels is 20.000 stuks.


Vraag 2: Kunt u op maat maken met onze tekening?

Ja, de meeste van onze buisvormige klinknagels worden op maat gemaakt volgens de tekening van de klant.


Vraag 3: Kunt u gratis monsters van de holle klinknagels verstrekken?

We kunnen gratis monsters leveren voor de maat die we op voorraad hebben, maar de klanten betalen de Express-kosten.


Q4: Wat is uw levertijd?

Grootte van klinknagels op voorraad: 3-5 dagen, niet-standaard klinknagels: 15-25 dagen. Wij zullen de levering zo snel mogelijk uitvoeren met de garantiekwaliteit.


Q5: De kwaliteit van uw producten?

Het bedrijf beschikt over geavanceerde productie- en testapparatuur. Alle producten worden vóór verzending 100% geïnspecteerd door onze QC-afdeling.


Vraag 6: Waarom kiezen we voor Nuote-technologie?

1. Wij Nuote respecteren de klantvoorwaarden om de privacyprojecten van klanten te beschermen.

2. Hoge kwaliteit met aantrekkelijke prijs

3. Snelle doorlooptijd

4. Fijne deal en eerlijkheid tegenover klant en partner

5. Professionele verkoopadvertentie beantwoordt uw vraag binnen 8 uur.

6. De producten en service van Nuote worden verkocht aan meer dan 70 landen met een goede reputatie


Hottags: Metalen oogjes, China metalen oogjes, metalen oogjes fabriek
Gerelateerde categorie
Stuur onderzoek
Stel gerust uw vraag via onderstaand formulier. Wij zullen u binnen 24 uur antwoorden.
X
We gebruiken cookies om u een betere browse-ervaring te bieden, het siteverkeer te analyseren en de inhoud te personaliseren. Door deze site te gebruiken, gaat u akkoord met ons gebruik van cookies. Privacybeleid